首页>> 产品中心>> MOSFET>> Trench MOS>>

Trench MOS
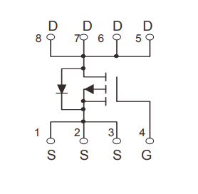
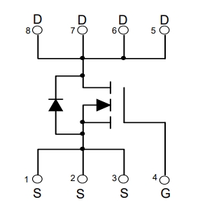
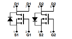
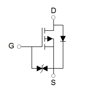
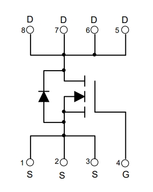
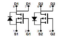
Part Number Download Circuit Status Type Process

ESD

Yes/No

VDS

V

VGS

V

ID

A

VGS(TH)

V

RDS(mΩ)@VGS

10V Typ

RDS(mΩ)@VGS

10V Max

RDS(mΩ)@VGS

4.5V Typ

RDS(mΩ)@VGS

4.5V Max

Package
Active
Dual-N
Dual-P
N/P-ch
Single-N
Single-P
Trench
No
Yes
±10
±12
±20
±25
±30
±6
±7
±8
-0.35~-1.1
-0.3~-1
-0.45~-1.2
-0.4~-0.9
-0.4~-1
-0.4~-1.0
-0.4~-1.3
-0.5~-0.9
-0.5~-1
-0.5~-1.2
-0.5~-1.5
-0.6~-1.4
-0.6~-1.5
-0.7
-0.7~-1.3
-0.9~-2
-1.0~-2.5
-1.0~-3.0
-1.1~-2.2
-1.2~-2.2
-1.5
-1.5~-2.5
-1.5~-3
-1.5~-3.5
-1~-2
-1~-2.2
-1~-2.5
-1~-3
-1~-2.5
-1~-3
-2~-3
-2~-4
0.35~1.1
0.35~1.4
0.35~2.5
0.3~1.1
0.45~1
0.45~1.1
0.45~1.2
0.4~1
0.4~1.0
0.4~1.1
0.4~1.2
0.4~1.4
0.4~1.5
0.5~0.9
0.5~1
0.5~1.1
0.5~1.2
0.5~1.3
0.5~1.5
0.5~2
0.5~2
0.65~1.2
0.65~1.5
0.6~1
0.6~1.2
0.6~1.4
0.6~1.5
0.7~1.4
0.7~1.5
0.7~3
0.8~1.5
0.8~3
0.9~1.5
1
1.0~2.5
1.2~2.5
1.2~2.8
1.2~3
1.3~2.3
1.3~2.5
1.5
1.5~2.5
1~2
1~2.2
1~2.5
1~2.8
1~3
1~2.2
1~2.5
1~3
2~4
CSPB1111-4
CSPB1313-4
CSPB1515-4
CSPB1717-4
CSPB1912-6
CSPB2213-6
CSPB2217-6
CSPC2019-10
CSPC2115-10
CSPC2624-10
CSPC3015-10
CSPC3028-14
DFN1006-3L
DFN1006-3L-A
DFNWB2x2-6L
DFNWB2x3-6L
DFNWB3x3-8L
DFNWB5x2-6L
PDFNWB3.3x3.3-8L
PDFNWB3.3x3.3-8L-B
PDFNWB5x6-8L
PDFNWB5x6-8L-A
SOP8
SOT-223
SOT-23
SOT-23-3L
SOT-23-6L
SOT-323
SOT-363
SOT-523
SOT-563
SOT-723
SOT-89-3L
TO-220-3L-C
TO-220F
TO-251
TO-252-2L
TO-92
TSSOP8
WBFBP-03E
CJQ4459A


Active
Single-P
Trench
No
-30
±20
-6
-1~-2.5
28
36
40
52
SOP8
CJ2301A


Active
Single-P
Trench
No
-20
±8
-2.3
-0.4~-1
-
-
82
112
SOT-23
CJQ20N03B


Active
Single-N
Trench
No
30
±20
20
1~2.5
3.5
4.5
4.3
6.5
SOP8
CJAC70N03S


Active
Single-N
Trench
No
30
±20
70
1~2.5
4.8
6
6.5
9.5
PDFNWB5x6-8L
CJMN3010L


Active
Single-N
Trench
Yes
30
±10
10
0.45~1
-
-
8.3
14
DFNWB2x2-6L
CJ2204


Active
Single-P
Trench
No
-20
±12
-2.8
-0.4~-1.3
-
-
29
40
SOT-23
CJAC50P03S


Active
Single-P
Trench
No
-30
±20
-50
-1~-2.5
6.5
8.2
8.4
12
PDFNWB5x6-8L
CJAB65N03L


Active
Single-N
Trench
No
30
±20
65
1~2.5
2.5
3.2
3.6
5
PDFNWB3.3x3.3-8L
CJAC80N03L


Active
Single-N
Trench
No
30
±20
80
1~2.5
2.7
3.5
4
6
PDFNWB5x6-8L
CJBA3139KB


Active
Single-P
Trench
Yes
-20
±12
-0.66
-0.35~-1.1
-
-
165
520
DFN1006-3L
CJQ4406A


Active
Single-N
Trench
No
30
±20
10
1~3
8.3
10.8
10.8
15
SOP8
CJL8810A


Active
Dual-N
Trench
Yes
20
±12
7
0.4~1
12
15.5
12.8
16.6
SOT-23-6L
CJBA7002KL


Active
Single-N
Trench
Yes
60
±20
0.34
1~2.5
-
3500
-
4000
DFN1006-3L
CJAB2003A


Active
N/P-ch
Trench
Trench
No
No
30
-30
±20
±20
30
-20
1~2.5
-1~-2.5
8.5
28
11
36
10.7
35
16
52
PDFNWB3.3x3.3-8L-B
CJL6602A


Active
N/P-ch
Trench
Trench
No
No
30
-30
±12
±12
3.4
-2.3
1~3
-1~-3
30
61
39
79
43
91
56
118
SOT-23-6L
CJ4459A


Active
Single-P
Trench
No
-30
±20
-5
-1~-2.5
37
46
44
57
SOT-23
CJL2016


Active
Dual-N
Trench
No
20
±10
6
0.45~1.2
-
-
15.7
20
SOT-23-6L
CJL2019


Active
Dual-N
Trench
No
20
±10
5
0.45~1.2
-
-
19.5
27
SOT-23-6L
CJL8810


Active
Dual-N
Trench
Yes
20
±12
7
0.4~1
13.5
20
14.5
22
SOT-23-6L
CJL8820


Active
Dual-N
Trench
Yes
20
±12
7
0.5~1.1
15
21
17
24
SOT-23-6L